

?? ??: H7N ?? ? ??
?? ??: ? ?? / ??? / ??? ?? ?? / ?? DIN24960 ?? H7N ??? ?? ??, ??? ??.??? ? ?? ?? ? ? ?? ??? ?? ? by ?? ???? ??, ?? ??? ????.?? ??? ??? ?? ? ??? ? ?? ??? ? ?? ?? ?? ??? ?? ?? ???? ?? ? ???.
?? ??:
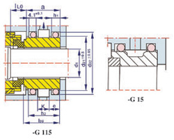
d1=14…200mm 0.55”…8”,p1=25(40)bar 230(580)PSI,t=-50…220℃ -58F…430F,Vg=20m/s 66ft/s
?? ??:

?? ?:

?? ??:
|
|
| ? d2> 100mm ? ? ?? ?? ??? ?? ???. | H7 ??? ?? ?? ?? ?? ?? ? ?? ?? ????.?? H7S2/d1. |
|
|
|
|
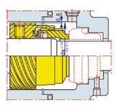
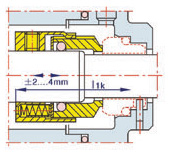
H75 ?? ??? ?? d1 =28…200mm As H7N, but with multiple springs in sleeves (Item no. 1.5) axial movements ±2 to 4 mm, dependent on diameter. |
H76 ?? ??? ?? d1 =14…100mm Dimensions, item no ‘ s and descriptions as for H7N, but with special single spring (item no. 1.5) for compensating large axial movements (±4mm) |
H7F ??? ??? ?? d1 max. 100mm; Axial movement ±0.5mm H75F d1 =28…200mm ??? ??? ??? d128…55mm=±2mm d158…100mm=±3mm d11088…200mm=±4mm
|